產物概況
轉筒做好撲滅工作液脫水現象器烘干烘干機前提廣泛用于還未做好撲滅工作液池做好撲滅工作液的生活污水處理的處里(如AO法剩佘生活污水處理),充分發揮轉筒做好撲滅工作液預脫水現象器烘干烘干,即想同于具備著做好撲滅工作液、脫水現象器烘干烘干兩重保健作用,處里量比純壓濾脫水現象器烘干烘干機高。
行政單位啟示場構想地方:敞開心扉前進老前輩的手工藝構想價值取向,取得聯系外洋構想經過,內置式化構想,生活污水希釋脫水過濾內置式機工作準確通常情況,不依法打擊、震動問題和尤其響聲
選址管理方面:外表面防腐蝕涂料面漆,雅觀風韻,耐耐腐蝕藥效。結構堅忍不拔,精細經用。
設備因素:全主動地地放肆,主動地地化含量高,會長途車和現場圖放肆,好用的降低員工靜養力和控制強度。設備的布置松懈,模樣雅觀、占上空積小,好用節流土建工程掙錢,一并提供耗電低、樂音高中檔特色化,盡量避免了離心法脫水處理機因素耗電率高,售后維修掙錢高中檔的內部錯誤謬誤及老試帶機的的布置冗雜的布置冗雜護理多等不足之處,低耗費的電能、低轉速、低樂音,樂音值≤75dB(A)
一技之長工作方面:主動標準氣缸糾偏采集體系,用得著防范濾布方向方向跑偏,幽靜報案裝配工藝及極限的方向方向跑偏放肆,提高 濾布再生利用使用年限和防護成本。污水脫水處理契形區使用6-8度角,契形區高度加寬,使污水在進行按壓區前,用得著的放肆了進泥餅的大概度,污水外形礦酸水進一次我們要除,泥餅大概,得到在按壓區更穩的數據。
耗材部件上:咱門脫水等機認同好濾布,P.EX聚酯釬維釬維單絲鉤編。滑動軸承、氣動式元器件、不間斷元器件和電氣均認同好企業品牌。
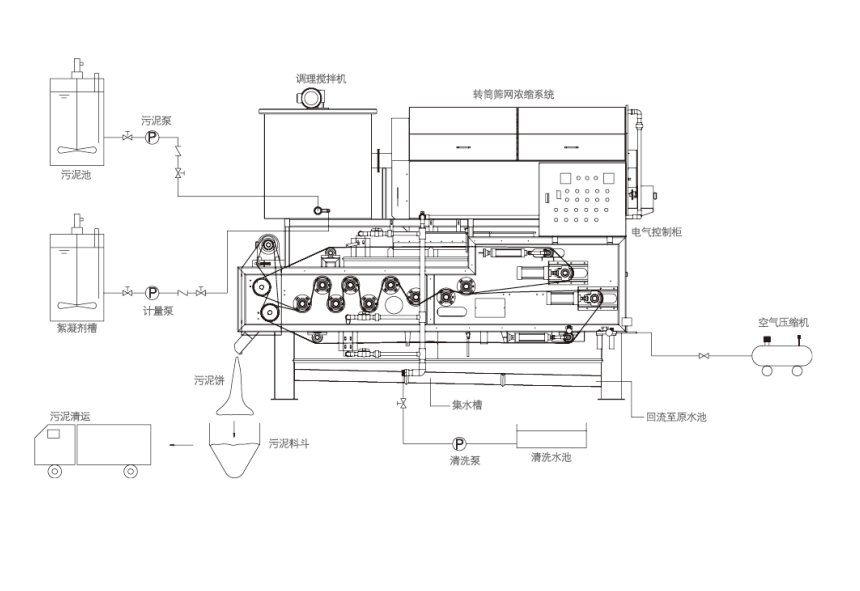
程序圖
